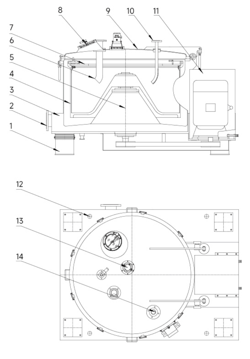
После того как разделяемые материалы попадают в быстро вращающуюся корзину, они фильтруются фильтрующим слоем под действием центробежной силы. Жидкость вытекает через выходное отверстие, а твердые частицы оседают на внутренней стенке корзины.
Как только количество осадка достигнет заданной производительности, подача прекращается. Промойте осадок и слейте промывочную воду. Наконец, остановите машину. Используйте подъемный механизм или кран, чтобы поднять фильтровальную ткань с осадком и переместить ее в место выгрузки. Разверните фильтровальную ткань и выгрузите осадок. Поместите фильтровальную ткань обратно в центрифугу и переместите ее в следующую партию.
Название компании :
JiangsuTusheng Centrifuge Manufacturing CO.,LTD.Brand :
Tusheng
Категории продуктов
The company has been committed to the R&D, production and sales of centrifuges, boasting rich experience in the design and manufacturing of separation equipment. Its products have obtained ISO 9001:2015 Quality Management System Certification, ISO 14001:2015 Environmental Management System Certification, and ISO 45001 Occupational Health and Safety Management System Certification. The various centrifuges produced are widely used in chemical industry, pharmaceutical industry, food industry, environmental protection, new energy, salt production and other fields. In 2018, the company introduced high-end technical talents and R&D teams in filtration and separation, invested heavily in purchasing automatic welding robots, CNC machining centers, 500-ton hydraulic presses and other equipment, and achieved mold-based production.
With an annual sales volume of 235 million RMB, the company has 185 employees, covering an area of nearly 20,000 square meters, including a workshop area of over 15,000 square meters. It owns more than 100 sets of various processing and testing equipment, such as large vertical lathes, hydraulic presses, turning-milling-planing machines, boring machines, plate shears, bending machines, X-ray flaw detectors, display-type universal material testing machines, universal plate bending machines, CNC laser cutting machines, microcomputer vibration aging devices, and dynamic balancing machines. The company offers a complete range of centrifuges, mainly including top discharge models (PSB, PSD), automatic bottom discharge scraper models (PGZ, LGZ, PAUT, PGD), and horizontal spiral discharge models (LW, LLW, LLWZ), etc.

·Flat vertical scraper automatic discharge centrifuge
·Flat-plate scraper bag shaking automatic discharge centrifuge
·Flat plate discharge centrifuge
·Horizontal screw concentration and filtration centrifuge
·Horizontal screw discharge sedimentation centrifuge
Технические параметры PSD
| предметы | PSD800 | PSD1000 | PSD1200 | PSD1250 | PSD1500 | PSD1600 | PSD1800 |
|---|---|---|---|---|---|---|---|
| Диаметр корзины (мм) | 800 | 1000 | 1200 | 1250 | 1500 | 1600 | 1800 |
| Объем корзины (л) | 120 | 200 | 330 | 400 | 600 | 800 | 910 |
| Максимальная нагрузка (кг) | 150 | 250 | 410 | 500 | 800 | 1000 | 1100 |
| Максимальная относительная скорость (об/мин) | 1200/1500 | 1100/1200 | 960/1050 | 1000/1200 | 850 | 850 | 780 |
| Центрифужная сила | 645/1006 | 680/806 | 670/740 | 700/1008 | 607 | 647 | 612 |
| Двигатель (кВт) | 7.5 | 11 | 15 | 18.5/22 | 30 | 37 | 37 |
| Габариты (Д×Ш×В) (мм) | 1750*1200*1300 |
2000*1400*1500 |
2550*1800*1750 |
2550*1800*1750 |
2600*2300*1800 |
3200*2400*2150 |
3300*2600*2100 |
| Вес (кг) | 1500 | 2500 | 3800 | 4000 | 6000 | 8500 | 10000 |

Наши часы работы